Подшипник SCE1314 (INA)

Подшипники роликовые радиальные сферические
Подшипник SCE1314 (INA)

Технические характеристики

Обозначение : SCE1314

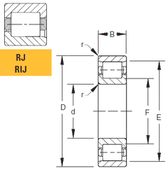
Размеры, мм : 20.638x26.988x22.225

Производитель : INA

Диаметр внутренний, мм : 20,638

Диаметр наружный, мм : 26,988

Высота, мм : 22,225

Технические данные из каталога производителя :

Fw - 13/16 inch

Fw - 20,638 mm

D - 1,063 inch

D - 26,988 mm

C - 0,875 inch

C - 22,225 mm

m - 0,06 lbs / Вес

m - 27 g / Вес

Cr - 4160 lbf / динамическая грузоподъемность, радиальная

Cr - 18500 N / динамическая грузоподъемность, радиальная

C0r - 6520 lbf / статическая грузоподъемность, радиальная

C0r - 29000 N / статическая грузоподъемность, радиальная

nG - 12200 1/min / Предельная частота вращения

nB - 8400 1/min / Базовая тепловая частота вращения

по ABMA 18.2 - 1982, размеры в дюймах

Цены указаны ознакомительные, для уточнения цены и наличия просим связаться с нами по телефону, или отправить заявку на почту - sales@specprompodshipnik.ru или по тел.: +7(499) 369-70-54

Возврат к списку