Подшипник SCE1312 (INA)

Подшипники роликовые радиальные сферические
Подшипник SCE1312 (INA)

Технические характеристики

Обозначение : SCE1312

Размеры, мм : 20.638x26.988x19.05

Производитель : INA

Диаметр внутренний, мм : 20,638

Диаметр наружный, мм : 26,988

Высота, мм : 19,05

Технические данные из каталога производителя :

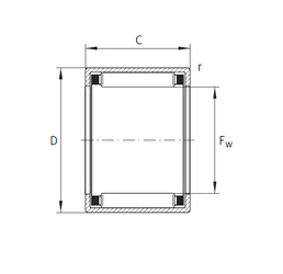
Внутренний диаметр (Fw) - 20,638 мм.

Наружный диаметр (D) - 26,988 мм.

Ширина наружной обоймы (C) - 19,05 мм.

Масса - 0,024 Кг

Грузоподъемность динамическая (C) - 15,9 кН

Грузоподъемность статическая (C0) - 23,7 кН

Частота вращения предельная - 13600 об/мин

Количество дорожек качения - 1

Уплотнение - Нет

Цены указаны ознакомительные, для уточнения цены и наличия просим связаться с нами по телефону, или отправить заявку на почту - sales@specprompodshipnik.ru или по тел.: +7(499) 369-70-54

Возврат к списку