Подшипник SCE107–1/2 (INA)

Подшипники роликовые радиальные сферические
Подшипник SCE107–1/2 (INA)

Технические характеристики

Обозначение : SCE107–1/2

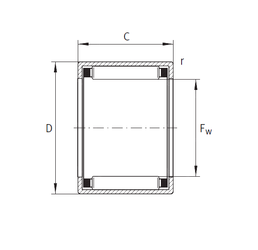
Размеры, мм : 15.875x20.638x11.91

Производитель : INA

Диаметр внутренний, мм : 15,875

Диаметр наружный, мм : 20,638

Высота, мм : 11,91

Технические данные из каталога производителя :

Внутренний диаметр (Fw) - 15,875 мм.

Наружный диаметр (D) - 20,638 мм.

Ширина наружной обоймы (C) - 11,91 мм.

Масса - 0,008 Кг

Грузоподъемность динамическая (C) - 7,1 кН

Грузоподъемность статическая (C0) - 10,3 кН

Частота вращения предельная - 17600 об/мин

Количество дорожек качения - 1

Уплотнение - Нет

Цены указаны ознакомительные, для уточнения цены и наличия просим связаться с нами по телефону, или отправить заявку на почту - sales@specprompodshipnik.ru или по тел.: +7(499) 369-70-54

Возврат к списку