Подшипник RNAO8X15X10 (Timken)

Подшипники роликовые радиальные сферические
Подшипник RNAO8X15X10 (Timken)

Технические характеристики

Обозначение : RNAO8X15X10

Размеры, мм : 8x11x10

Производитель : Timken

Диаметр внутренний, мм : 8

Диаметр наружный, мм : 11

Высота, мм : 10

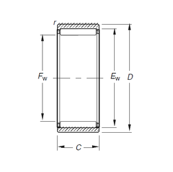
Технические данные из каталога производителя :

Внутренний диаметр (Fw) - 8 мм.

Наружный диаметр (D) - 15 мм.

Наружный диаметр (Ew) - 11 мм.

Ширина наружной обоймы (C) - 10 мм.

Размер (r) - 0,3 мм.

Масса - 0,008 Кг

Грузоподъемность динамическая (C) - 4,57 кН

Грузоподъемность статическая (C0) - 4,89 кН

Частота вращения предельная при пластичной смазке - 26000 об/мин

Частота вращения предельная при жидкой смазке - 41000 об/мин

Количество дорожек качения - 1

Уплотнение - Нет

Цены указаны ознакомительные, для уточнения цены и наличия просим связаться с нами по телефону, или отправить заявку на почту - sales@specprompodshipnik.ru или по тел.: +7(499) 369-70-54

Возврат к списку