Подшипник RNAO85X105X30 (Timken)

Подшипники роликовые радиальные сферические
Подшипник RNAO85X105X30 (Timken)

Технические характеристики

Обозначение : RNAO85X105X30

Размеры, мм : 85x93x30

Производитель : Timken

Диаметр внутренний, мм : 85

Диаметр наружный, мм : 93

Высота, мм : 30

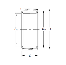
Технические данные из каталога производителя :

Внутренний диаметр (Fw) - 85 мм.

Наружный диаметр (D) - 105 мм.

Наружный диаметр (Ew) - 93 мм.

Ширина наружной обоймы (C) - 30 мм.

Размер (r) - 1 мм.

Масса - 0,586 Кг

Грузоподъемность динамическая (C) - 69,4 кН

Грузоподъемность статическая (C0) - 170 кН

Частота вращения предельная при пластичной смазке - 3000 об/мин

Частота вращения предельная при жидкой смазке - 4600 об/мин

Количество дорожек качения - 1

Уплотнение - Нет

Цены указаны ознакомительные, для уточнения цены и наличия просим связаться с нами по телефону, или отправить заявку на почту - sales@specprompodshipnik.ru или по тел.: +7(499) 369-70-54

Возврат к списку