Подшипник RNAO80X100X30 (Timken)

Подшипники роликовые радиальные сферические
Подшипник RNAO80X100X30 (Timken)

Технические характеристики

Обозначение : RNAO80X100X30

Размеры, мм : 80x88x30

Производитель : Timken

Диаметр внутренний, мм : 80

Диаметр наружный, мм : 88

Высота, мм : 30

Технические данные из каталога производителя :

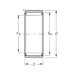
Внутренний диаметр (Fw) - 80 мм.

Наружный диаметр (D) - 100 мм.

Наружный диаметр (Ew) - 88 мм.

Ширина наружной обоймы (C) - 30 мм.

Размер (r) - 1 мм.

Масса - 0,58 Кг

Грузоподъемность динамическая (C) - 67,5 кН

Грузоподъемность статическая (C0) - 161 кН

Частота вращения предельная при пластичной смазке - 3400 об/мин

Частота вращения предельная при жидкой смазке - 5200 об/мин

Количество дорожек качения - 1

Уплотнение - Нет

Цены указаны ознакомительные, для уточнения цены и наличия просим связаться с нами по телефону, или отправить заявку на почту - sales@specprompodshipnik.ru или по тел.: +7(499) 369-70-54

Возврат к списку