Подшипник RNAO7X14X8TN (Timken)

Подшипники роликовые радиальные сферические
Подшипник RNAO7X14X8TN (Timken)

Технические характеристики

Обозначение : RNAO7X14X8TN

Размеры, мм : 7x10x8

Производитель : Timken

Диаметр внутренний, мм : 7

Диаметр наружный, мм : 10

Высота, мм : 8

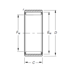
Технические данные из каталога производителя :

Внутренний диаметр (Fw) - 7 мм.

Наружный диаметр (D) - 14 мм.

Наружный диаметр (Ew) - 10 мм.

Ширина наружной обоймы (C) - 8 мм.

Размер (r) - 0,3 мм.

Масса - 0,007 Кг

Грузоподъемность динамическая (C) - 2,74 кН

Грузоподъемность статическая (C0) - 2,44 кН

Частота вращения предельная при пластичной смазке - 28000 об/мин

Частота вращения предельная при жидкой смазке - 42000 об/мин

Количество дорожек качения - 1

Уплотнение - Нет

Цены указаны ознакомительные, для уточнения цены и наличия просим связаться с нами по телефону, или отправить заявку на почту - sales@specprompodshipnik.ru или по тел.: +7(499) 369-70-54

Возврат к списку