Подшипник RNAO70X90X30 (Timken)

Подшипники роликовые радиальные сферические
Подшипник RNAO70X90X30 (Timken)

Технические характеристики

Обозначение : RNAO70X90X30

Размеры, мм : 70x78x30

Производитель : Timken

Диаметр внутренний, мм : 70

Диаметр наружный, мм : 78

Высота, мм : 30

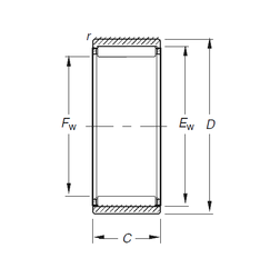
Технические данные из каталога производителя :

Внутренний диаметр (Fw) - 70 мм.

Наружный диаметр (D) - 90 мм.

Наружный диаметр (Ew) - 78 мм.

Ширина наружной обоймы (C) - 30 мм.

Размер (r) - 1 мм.

Масса - 0,505 Кг

Грузоподъемность динамическая (C) - 62,2 кН

Грузоподъемность статическая (C0) - 139 кН

Частота вращения предельная при пластичной смазке - 3900 об/мин

Частота вращения предельная при жидкой смазке - 6000 об/мин

Количество дорожек качения - 1

Уплотнение - Нет

Цены указаны ознакомительные, для уточнения цены и наличия просим связаться с нами по телефону, или отправить заявку на почту - sales@specprompodshipnik.ru или по тел.: +7(499) 369-70-54

Возврат к списку