Подшипник RNAO60X78X40 (Timken)

Подшипники роликовые радиальные сферические
Подшипник RNAO60X78X40 (Timken)

Технические характеристики

Обозначение : RNAO60X78X40

Размеры, мм : 60x68x40

Производитель : Timken

Диаметр внутренний, мм : 60

Диаметр наружный, мм : 68

Высота, мм : 40

Технические данные из каталога производителя :

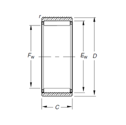
Внутренний диаметр (Fw) - 60 мм.

Наружный диаметр (D) - 78 мм.

Наружный диаметр (Ew) - 68 мм.

Ширина наружной обоймы (C) - 40 мм.

Размер (r) - 1 мм.

Масса - 0,436 Кг

Грузоподъемность динамическая (C) - 71,7 кН

Грузоподъемность статическая (C0) - 158 кН

Частота вращения предельная при пластичной смазке - 4600 об/мин

Частота вращения предельная при жидкой смазке - 7100 об/мин

Количество дорожек качения - 1

Уплотнение - Нет

Цены указаны ознакомительные, для уточнения цены и наличия просим связаться с нами по телефону, или отправить заявку на почту - sales@specprompodshipnik.ru или по тел.: +7(499) 369-70-54

Возврат к списку