Подшипник RNAO50X62X40 (Timken)

Подшипники роликовые радиальные сферические
Подшипник RNAO50X62X40 (Timken)

Технические характеристики

Обозначение : RNAO50X62X40

Размеры, мм : 50x55x40

Производитель : Timken

Диаметр внутренний, мм : 50

Диаметр наружный, мм : 55

Высота, мм : 40

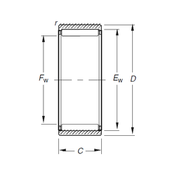
Технические данные из каталога производителя :

Внутренний диаметр (Fw) - 50 мм.

Наружный диаметр (D) - 62 мм.

Наружный диаметр (Ew) - 55 мм.

Ширина наружной обоймы (C) - 40 мм.

Размер (r) - 0,3 мм.

Масса - 0,269 Кг

Грузоподъемность динамическая (C) - 51,7 кН

Грузоподъемность статическая (C0) - 137 кН

Частота вращения предельная при пластичной смазке - 5400 об/мин

Частота вращения предельная при жидкой смазке - 8400 об/мин

Количество дорожек качения - 1

Уплотнение - Нет

Цены указаны ознакомительные, для уточнения цены и наличия просим связаться с нами по телефону, или отправить заявку на почту - sales@specprompodshipnik.ru или по тел.: +7(499) 369-70-54

Возврат к списку