Подшипник RNAO45X62X40 (Timken)

Подшипники роликовые радиальные сферические
Подшипник RNAO45X62X40 (Timken)

Технические характеристики

Обозначение : RNAO45X62X40

Размеры, мм : 45x53x40

Производитель : Timken

Диаметр внутренний, мм : 45

Диаметр наружный, мм : 53

Высота, мм : 40

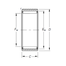
Технические данные из каталога производителя :

Внутренний диаметр (Fw) - 45 мм.

Наружный диаметр (D) - 62 мм.

Наружный диаметр (Ew) - 53 мм.

Ширина наружной обоймы (C) - 40 мм.

Размер (r) - 0,3 мм.

Масса - 0,325 Кг

Грузоподъемность динамическая (C) - 61,7 кН

Грузоподъемность статическая (C0) - 119 кН

Частота вращения предельная при пластичной смазке - 6200 об/мин

Частота вращения предельная при жидкой смазке - 9600 об/мин

Количество дорожек качения - 1

Уплотнение - Нет

Цены указаны ознакомительные, для уточнения цены и наличия просим связаться с нами по телефону, или отправить заявку на почту - sales@specprompodshipnik.ru или по тел.: +7(499) 369-70-54

Возврат к списку