Подшипник RNAO45X55X34 (Timken)

Подшипники роликовые радиальные сферические
Подшипник RNAO45X55X34 (Timken)

Технические характеристики

Обозначение : RNAO45X55X34

Размеры, мм : 45x50x34

Производитель : Timken

Диаметр внутренний, мм : 45

Диаметр наружный, мм : 50

Высота, мм : 34

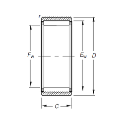
Технические данные из каталога производителя :

Внутренний диаметр (Fw) - 45 мм.

Наружный диаметр (D) - 55 мм.

Наружный диаметр (Ew) - 50 мм.

Ширина наружной обоймы (C) - 34 мм.

Размер (r) - 0,3 мм.

Масса - 0,168 Кг

Грузоподъемность динамическая (C) - 42,7 кН

Грузоподъемность статическая (C0) - 104 кН

Частота вращения предельная при пластичной смазке - 6100 об/мин

Частота вращения предельная при жидкой смазке - 9400 об/мин

Количество дорожек качения - 1

Уплотнение - Нет

Цены указаны ознакомительные, для уточнения цены и наличия просим связаться с нами по телефону, или отправить заявку на почту - sales@specprompodshipnik.ru или по тел.: +7(499) 369-70-54

Возврат к списку