Подшипник RNAO40X55X20 (Timken)

Подшипники роликовые радиальные сферические
Подшипник RNAO40X55X20 (Timken)

Технические характеристики

Обозначение : RNAO40X55X20

Размеры, мм : 40x48x20

Производитель : Timken

Диаметр внутренний, мм : 40

Диаметр наружный, мм : 48

Высота, мм : 20

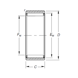
Технические данные из каталога производителя :

Внутренний диаметр (Fw) - 40 мм.

Наружный диаметр (D) - 55 мм.

Наружный диаметр (Ew) - 48 мм.

Ширина наружной обоймы (C) - 20 мм.

Размер (r) - 0,3 мм.

Масса - 0,139 Кг

Грузоподъемность динамическая (C) - 35,5 кН

Грузоподъемность статическая (C0) - 56,3 кН

Частота вращения предельная при пластичной смазке - 7100 об/мин

Частота вращения предельная при жидкой смазке - 11000 об/мин

Количество дорожек качения - 1

Уплотнение - Нет

Цены указаны ознакомительные, для уточнения цены и наличия просим связаться с нами по телефону, или отправить заявку на почту - sales@specprompodshipnik.ru или по тел.: +7(499) 369-70-54

Возврат к списку