Подшипник RNAO35X47X16 (Timken)

Подшипники роликовые радиальные сферические
Подшипник RNAO35X47X16 (Timken)

Технические характеристики

Обозначение : RNAO35X47X16

Размеры, мм : 35x41x16

Производитель : Timken

Диаметр внутренний, мм : 35

Диаметр наружный, мм : 41

Высота, мм : 16

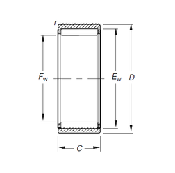
Технические данные из каталога производителя :

Внутренний диаметр (Fw) - 35 мм.

Наружный диаметр (D) - 47 мм.

Наружный диаметр (Ew) - 41 мм.

Ширина наружной обоймы (C) - 16 мм.

Размер (r) - 0,3 мм.

Масса - 0,075 Кг

Грузоподъемность динамическая (C) - 24,5 кН

Грузоподъемность статическая (C0) - 36,8 кН

Частота вращения предельная при пластичной смазке - 8100 об/мин

Частота вращения предельная при жидкой смазке - 12000 об/мин

Количество дорожек качения - 1

Уплотнение - Нет

Цены указаны ознакомительные, для уточнения цены и наличия просим связаться с нами по телефону, или отправить заявку на почту - sales@specprompodshipnik.ru или по тел.: +7(499) 369-70-54

Возврат к списку