Подшипник RNAO35X47X16 (INA)

Подшипники роликовые радиальные сферические
Подшипник RNAO35X47X16 (INA)

Технические характеристики

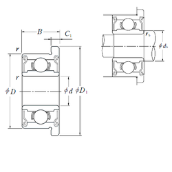
Обозначение : RNAO35X47X16

Размеры, мм : 35x47x16

Производитель : INA

Диаметр внутренний, мм : 35

Диаметр наружный, мм : 47

Высота, мм : 16

Технические данные из каталога производителя :

Fw - 35 mm

D - 47 mm

C - 16 mm

Da - 42,5 mm

Db - 35,6 mm

db - 41,4 mm

E - 42 mm

ra max - 0,3 mm

rmin - 0,3 mm

m - 78 g / Вес

Cr - 27500 N / динамическая грузоподъемность, радиальная

C0r - 37500 N / статическая грузоподъемность, радиальная

Cur - 6200 N / нагрузка предела усталости радиальная

nG - 12700 1/min / Предельная частота вращения

nB - 6800 1/min / Базовая тепловая частота вращения

без бортов

Цены указаны ознакомительные, для уточнения цены и наличия просим связаться с нами по телефону, или отправить заявку на почту - sales@specprompodshipnik.ru или по тел.: +7(499) 369-70-54

Возврат к списку