Подшипник RNAO22X35X16 (Timken)

Подшипники роликовые радиальные сферические
Подшипник RNAO22X35X16 (Timken)

Технические характеристики

Обозначение : RNAO22X35X16

Размеры, мм : 22x29x16

Производитель : Timken

Диаметр внутренний, мм : 22

Диаметр наружный, мм : 29

Высота, мм : 16

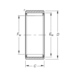
Технические данные из каталога производителя :

Внутренний диаметр (Fw) - 22 мм.

Наружный диаметр (D) - 35 мм.

Наружный диаметр (Ew) - 29 мм.

Ширина наружной обоймы (C) - 16 мм.

Размер (r) - 0,3 мм.

Масса - 0,059 Кг

Грузоподъемность динамическая (C) - 19,1 кН

Грузоподъемность статическая (C0) - 23,3 кН

Частота вращения предельная при пластичной смазке - 13000 об/мин

Частота вращения предельная при жидкой смазке - 21000 об/мин

Количество дорожек качения - 1

Уплотнение - Нет

Цены указаны ознакомительные, для уточнения цены и наличия просим связаться с нами по телефону, или отправить заявку на почту - sales@specprompodshipnik.ru или по тел.: +7(499) 369-70-54

Возврат к списку