Подшипник RNAO20X28X13 (Timken)

Подшипники роликовые радиальные сферические
Подшипник RNAO20X28X13 (Timken)

Технические характеристики

Обозначение : RNAO20X28X13

Размеры, мм : 20x24x13

Производитель : Timken

Диаметр внутренний, мм : 20

Диаметр наружный, мм : 24

Высота, мм : 13

Технические данные из каталога производителя :

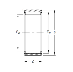
Внутренний диаметр (Fw) - 20 мм.

Наружный диаметр (D) - 28 мм.

Наружный диаметр (Ew) - 24 мм.

Ширина наружной обоймы (C) - 13 мм.

Размер (r) - 0,3 мм.

Масса - 0,025 Кг

Грузоподъемность динамическая (C) - 11,5 кН

Грузоподъемность статическая (C0) - 17,3 кН

Частота вращения предельная при пластичной смазке - 14000 об/мин

Частота вращения предельная при жидкой смазке - 22000 об/мин

Количество дорожек качения - 1

Уплотнение - Нет

Цены указаны ознакомительные, для уточнения цены и наличия просим связаться с нами по телефону, или отправить заявку на почту - sales@specprompodshipnik.ru или по тел.: +7(499) 369-70-54

Возврат к списку