Подшипник RNAO18X30X24 (Timken)

Подшипники роликовые радиальные сферические
Подшипник RNAO18X30X24 (Timken)

Технические характеристики

Обозначение : RNAO18X30X24

Размеры, мм : 18x24x24

Производитель : Timken

Диаметр внутренний, мм : 18

Диаметр наружный, мм : 24

Высота, мм : 24

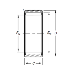
Технические данные из каталога производителя :

Внутренний диаметр (Fw) - 18 мм.

Наружный диаметр (D) - 30 мм.

Наружный диаметр (Ew) - 24 мм.

Ширина наружной обоймы (C) - 24 мм.

Размер (r) - 0,3 мм.

Масса - 0,07 Кг

Грузоподъемность динамическая (C) - 20,2 кН

Грузоподъемность статическая (C0) - 26,2 кН

Частота вращения предельная при пластичной смазке - 17000 об/мин

Частота вращения предельная при жидкой смазке - 25000 об/мин

Количество дорожек качения - 1

Уплотнение - Нет

Цены указаны ознакомительные, для уточнения цены и наличия просим связаться с нами по телефону, или отправить заявку на почту - sales@specprompodshipnik.ru или по тел.: +7(499) 369-70-54

Возврат к списку