Подшипник RNAO14X26X12 (Timken)

Подшипники роликовые радиальные сферические
Подшипник RNAO14X26X12 (Timken)

Технические характеристики

Обозначение : RNAO14X26X12

Размеры, мм : 14x20x12

Производитель : Timken

Диаметр внутренний, мм : 14

Диаметр наружный, мм : 20

Высота, мм : 12

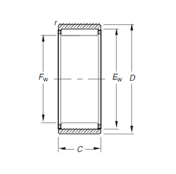
Технические данные из каталога производителя :

Внутренний диаметр (Fw) - 14 мм.

Наружный диаметр (D) - 26 мм.

Наружный диаметр (Ew) - 20 мм.

Ширина наружной обоймы (C) - 12 мм.

Размер (r) - 0,3 мм.

Масса - 0,029 Кг

Грузоподъемность динамическая (C) - 10,5 кН

Грузоподъемность статическая (C0) - 10,6 кН

Частота вращения предельная при пластичной смазке - 14000 об/мин

Частота вращения предельная при жидкой смазке - 21000 об/мин

Количество дорожек качения - 1

Уплотнение - Нет

Цены указаны ознакомительные, для уточнения цены и наличия просим связаться с нами по телефону, или отправить заявку на почту - sales@specprompodshipnik.ru или по тел.: +7(499) 369-70-54

Возврат к списку