Подшипник RNAO14X22X20 (Timken)

Подшипники роликовые радиальные сферические
Подшипник RNAO14X22X20 (Timken)

Технические характеристики

Обозначение : RNAO14X22X20

Размеры, мм : 14x18x20

Производитель : Timken

Диаметр внутренний, мм : 14

Диаметр наружный, мм : 18

Высота, мм : 20

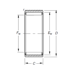
Технические данные из каталога производителя :

Внутренний диаметр (Fw) - 14 мм.

Наружный диаметр (D) - 22 мм.

Наружный диаметр (Ew) - 18 мм.

Ширина наружной обоймы (C) - 20 мм.

Размер (r) - 0,3 мм.

Масса - 0,029 Кг

Грузоподъемность динамическая (C) - 12,3 кН

Грузоподъемность статическая (C0) - 16,8 кН

Частота вращения предельная при пластичной смазке - 19000 об/мин

Частота вращения предельная при жидкой смазке - 29000 об/мин

Количество дорожек качения - 1

Уплотнение - Нет

Цены указаны ознакомительные, для уточнения цены и наличия просим связаться с нами по телефону, или отправить заявку на почту - sales@specprompodshipnik.ru или по тел.: +7(499) 369-70-54

Возврат к списку