Подшипник RNAO100X120X30 (Timken)

Подшипники роликовые радиальные сферические
Подшипник RNAO100X120X30 (Timken)

Технические характеристики

Обозначение : RNAO100X120X30

Размеры, мм : 100x108x30

Производитель : Timken

Диаметр внутренний, мм : 100

Диаметр наружный, мм : 108

Высота, мм : 30

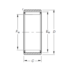
Технические данные из каталога производителя :

Внутренний диаметр (Fw) - 100 мм.

Наружный диаметр (D) - 120 мм.

Наружный диаметр (Ew) - 108 мм.

Ширина наружной обоймы (C) - 30 мм.

Размер (r) - 1 мм.

Масса - 0,66 Кг

Грузоподъемность динамическая (C) - 72,4 кН

Грузоподъемность статическая (C0) - 191 кН

Частота вращения предельная при пластичной смазке - 2700 об/мин

Частота вращения предельная при жидкой смазке - 4200 об/мин

Количество дорожек качения - 1

Уплотнение - Нет

Цены указаны ознакомительные, для уточнения цены и наличия просим связаться с нами по телефону, или отправить заявку на почту - sales@specprompodshipnik.ru или по тел.: +7(499) 369-70-54

Возврат к списку