Подшипник KMJ16?22?13 (NTN)

Подшипники роликовые радиальные сферические
Подшипник KMJ16?22?13 (NTN)

Технические характеристики

Обозначение : KMJ16?22?13

Производитель : NTN

Диаметр внутренний, мм : 16

Диаметр наружный, мм : 22

Технические данные из каталога производителя :

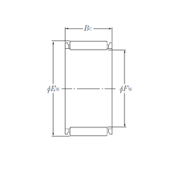
Внутренний диаметр (Fw) - 16 мм.

Наружный диаметр (Ew) - 22 мм.

Ширина внутренней обоймы (Bc) - 13 мм.

Масса - 0.0110 Кг

Грузоподъемность динамическая (C) - 12,6 кН

Грузоподъемность статическая (C0) - 13,9 кН

Частота вращения предельная при пластичной смазке - 15000 об/мин

Частота вращения предельная при жидкой смазке - 23000 об/мин

Количество дорожек качения - 1

Уплотнение - Нет

Цены указаны ознакомительные, для уточнения цены и наличия просим связаться с нами по телефону, или отправить заявку на почту - sales@specprompodshipnik.ru или по тел.: +7(499) 369-70-54

Возврат к списку