Подшипник KJ45?50?17S (NTN)

Подшипники роликовые радиальные сферические
Подшипник KJ45?50?17S (NTN)

Технические характеристики

Обозначение : KJ45?50?17S

Производитель : NTN

Диаметр внутренний, мм : 45

Диаметр наружный, мм : 50

Технические данные из каталога производителя :

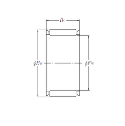
Внутренний диаметр (Fw) - 45 мм.

Наружный диаметр (Ew) - 50 мм.

Ширина внутренней обоймы (Bc) - 17 мм.

Масса - 0.031 Кг

Грузоподъемность динамическая (C) - 22,8 кН

Грузоподъемность статическая (C0) - 46 кН

Частота вращения предельная при пластичной смазке - 6000 об/мин

Частота вращения предельная при жидкой смазке - 9000 об/мин

Количество дорожек качения - 1

Уплотнение - Нет

Цены указаны ознакомительные, для уточнения цены и наличия просим связаться с нами по телефону, или отправить заявку на почту - sales@specprompodshipnik.ru или по тел.: +7(499) 369-70-54

Возврат к списку