Подшипник K9X12X13FH (Timken)

Подшипники роликовые радиальные сферические
Подшипник K9X12X13FH (Timken)

Технические характеристики

Обозначение : K9X12X13FH

Производитель : Timken

Диаметр внутренний, мм : 9

Диаметр наружный, мм : 12

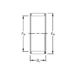
Технические данные из каталога производителя :

Внутренний диаметр (Fw) - 9 мм.

Наружный диаметр (Ew) - 12 мм.

Ширина внутренней обоймы (Bc) - 13 мм.

Масса - 0,003 Кг

Грузоподъемность динамическая (C) - 5,57 кН

Грузоподъемность статическая (C0) - 6,47 кН

Частота вращения предельная при пластичной смазке - 26000 об/мин

Частота вращения предельная при жидкой смазке - 40000 об/мин

Количество дорожек качения - 1

Уплотнение - Нет

Цены указаны ознакомительные, для уточнения цены и наличия просим связаться с нами по телефону, или отправить заявку на почту - sales@specprompodshipnik.ru или по тел.: +7(499) 369-70-54

Возврат к списку