Подшипник K9X12X10 (FBJ)

Подшипники роликовые радиальные сферические
Подшипник K9X12X10 (FBJ)

Технические характеристики

Обозначение : K9X12X10

Размеры, мм : 9x12x10

Производитель : FBJ

Диаметр внутренний, мм : 9

Диаметр наружный, мм : 12

Высота, мм : 10

Технические данные из каталога производителя :

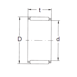
Внутренний диаметр (d) - 9 мм.

Наружный диаметр (D) - 12 мм.

Ширина рабочая (T) - 10 мм.

Масса - 0,0015 Кг

Грузоподъемность динамическая (C) - 4,55 кН

Грузоподъемность статическая (C0) - 5 кН

Частота вращения предельная при пластичной смазке - 20000 об/мин

Частота вращения предельная при жидкой смазке - 30000 об/мин

Количество дорожек качения - 1

Уплотнение - Нет

Цены указаны ознакомительные, для уточнения цены и наличия просим связаться с нами по телефону, или отправить заявку на почту - sales@specprompodshipnik.ru или по тел.: +7(499) 369-70-54

Возврат к списку