Подшипник K90X98X30 (FBJ)

Подшипники роликовые радиальные сферические
Подшипник K90X98X30 (FBJ)

Технические характеристики

Обозначение : K90X98X30

Размеры, мм : 90x98x30

Производитель : FBJ

Диаметр внутренний, мм : 90

Диаметр наружный, мм : 98

Высота, мм : 30

Технические данные из каталога производителя :

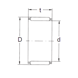
Внутренний диаметр (d) - 90 мм.

Наружный диаметр (D) - 98 мм.

Ширина рабочая (T) - 30 мм.

Масса - 0,172 Кг

Грузоподъемность динамическая (C) - 72,5 кН

Грузоподъемность статическая (C0) - 184 кН

Частота вращения предельная при пластичной смазке - 2900 об/мин

Частота вращения предельная при жидкой смазке - 4400 об/мин

Количество дорожек качения - 1

Уплотнение - Нет

Цены указаны ознакомительные, для уточнения цены и наличия просим связаться с нами по телефону, или отправить заявку на почту - sales@specprompodshipnik.ru или по тел.: +7(499) 369-70-54

Возврат к списку