Подшипник K90?98?26 (NTN)

Подшипники роликовые радиальные сферические
Подшипник K90?98?26 (NTN)

Технические характеристики

Обозначение : K90?98?26

Производитель : NTN

Диаметр внутренний, мм : 90

Диаметр наружный, мм : 98

Технические данные из каталога производителя :

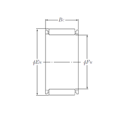
Внутренний диаметр (Fw) - 90 мм.

Наружный диаметр (Ew) - 98 мм.

Ширина внутренней обоймы (Bc) - 26 мм.

Масса - 0.148 Кг

Грузоподъемность динамическая (C) - 64 кН

Грузоподъемность статическая (C0) - 157 кН

Частота вращения предельная при пластичной смазке - 2900 об/мин

Частота вращения предельная при жидкой смазке - 4400 об/мин

Количество дорожек качения - 1

Уплотнение - Нет

Цены указаны ознакомительные, для уточнения цены и наличия просим связаться с нами по телефону, или отправить заявку на почту - sales@specprompodshipnik.ru или по тел.: +7(499) 369-70-54

Возврат к списку