Подшипник K85X92X30 (FBJ)

Подшипники роликовые радиальные сферические
Подшипник K85X92X30 (FBJ)

Технические характеристики

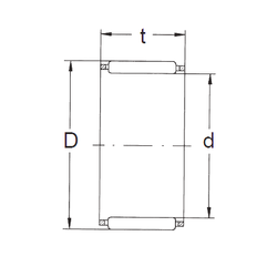
Обозначение : K85X92X30

Размеры, мм : 85x92x30

Производитель : FBJ

Диаметр внутренний, мм : 85

Диаметр наружный, мм : 92

Высота, мм : 30

Технические данные из каталога производителя :

Внутренний диаметр (d) - 85 мм.

Наружный диаметр (D) - 92 мм.

Ширина рабочая (T) - 30 мм.

Масса - 0,142 Кг

Грузоподъемность динамическая (C) - 66 кН

Грузоподъемность статическая (C0) - 176 кН

Частота вращения предельная при пластичной смазке - 3100 об/мин

Частота вращения предельная при жидкой смазке - 4700 об/мин

Количество дорожек качения - 1

Уплотнение - Нет

Цены указаны ознакомительные, для уточнения цены и наличия просим связаться с нами по телефону, или отправить заявку на почту - sales@specprompodshipnik.ru или по тел.: +7(499) 369-70-54

Возврат к списку