Подшипник K8?12?13 (NTN)

Подшипники роликовые радиальные сферические
Подшипник K8?12?13 (NTN)

Технические характеристики

Обозначение : K8?12?13

Производитель : NTN

Диаметр внутренний, мм : 12

Диаметр наружный, мм : 65,000

Технические данные из каталога производителя :

Внутренний диаметр (d) - 65,000 мм.

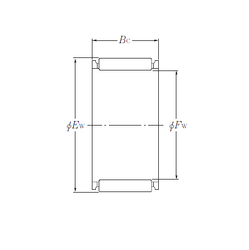
Внутренний диаметр (Fw) - 8 мм.

Наружный диаметр (D) - 100,000 мм.

Наружный диаметр (Ew) - 12 мм.

Ширина внутренней обоймы (Bc) - 13 мм.

Размер (Dw) - 11,000 мм.

Масса - 0.0036 Кг

Грузоподъемность динамическая (C) - 5,6 кН

Грузоподъемность статическая (C0) - 5,3 кН

Частота вращения предельная при пластичной смазке - 21000 об/мин

Частота вращения предельная при жидкой смазке - 32000 об/мин

Количество дорожек качения - 1

Уплотнение - Нет

Цены указаны ознакомительные, для уточнения цены и наличия просим связаться с нами по телефону, или отправить заявку на почту - sales@specprompodshipnik.ru или по тел.: +7(499) 369-70-54

Возврат к списку