Подшипник K75X83X23 (Timken)

Подшипники роликовые радиальные сферические
Подшипник K75X83X23 (Timken)

Технические характеристики

Обозначение : K75X83X23

Производитель : Timken

Диаметр внутренний, мм : 75

Диаметр наружный, мм : 83

Технические данные из каталога производителя :

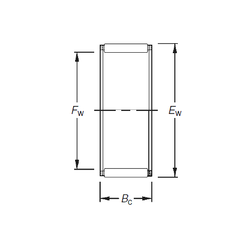
Внутренний диаметр (Fw) - 75 мм.

Наружный диаметр (Ew) - 83 мм.

Ширина внутренней обоймы (Bc) - 23 мм.

Масса - 0,104 Кг

Грузоподъемность динамическая (C) - 52,5 кН

Грузоподъемность статическая (C0) - 114 кН

Частота вращения предельная при пластичной смазке - 3600 об/мин

Частота вращения предельная при жидкой смазке - 5600 об/мин

Количество дорожек качения - 1

Уплотнение - Нет

Цены указаны ознакомительные, для уточнения цены и наличия просим связаться с нами по телефону, или отправить заявку на почту - sales@specprompodshipnik.ru или по тел.: +7(499) 369-70-54

Возврат к списку