Подшипник K70X78X23F (Timken)

Подшипники роликовые радиальные сферические
Подшипник K70X78X23F (Timken)

Технические характеристики

Обозначение : K70X78X23F

Производитель : Timken

Диаметр внутренний, мм : 70

Диаметр наружный, мм : 78

Технические данные из каталога производителя :

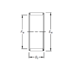
Внутренний диаметр (Fw) - 70 мм.

Наружный диаметр (Ew) - 78 мм.

Ширина внутренней обоймы (Bc) - 23 мм.

Масса - 0,115 Кг

Грузоподъемность динамическая (C) - 49,8 кН

Грузоподъемность статическая (C0) - 104 кН

Частота вращения предельная при пластичной смазке - 3900 об/мин

Частота вращения предельная при жидкой смазке - 6000 об/мин

Количество дорожек качения - 1

Уплотнение - Нет

Цены указаны ознакомительные, для уточнения цены и наличия просим связаться с нами по телефону, или отправить заявку на почту - sales@specprompodshipnik.ru или по тел.: +7(499) 369-70-54

Возврат к списку