Подшипник K70X77X21 (FBJ)

Подшипники роликовые радиальные сферические
Подшипник K70X77X21 (FBJ)

Технические характеристики

Обозначение : K70X77X21

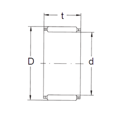
Размеры, мм : 70x77x21

Производитель : FBJ

Диаметр внутренний, мм : 70

Диаметр наружный, мм : 77

Высота, мм : 21

Технические данные из каталога производителя :

Внутренний диаметр (d) - 70 мм.

Наружный диаметр (D) - 77 мм.

Ширина рабочая (T) - 21 мм.

Масса - 0,08 Кг

Грузоподъемность динамическая (C) - 45 кН

Грузоподъемность статическая (C0) - 101 кН

Частота вращения предельная при пластичной смазке - 3700 об/мин

Частота вращения предельная при жидкой смазке - 5500 об/мин

Количество дорожек качения - 1

Уплотнение - Нет

Цены указаны ознакомительные, для уточнения цены и наличия просим связаться с нами по телефону, или отправить заявку на почту - sales@specprompodshipnik.ru или по тел.: +7(499) 369-70-54

Возврат к списку