Подшипник K7?10?8T2 (NTN)

Подшипники роликовые радиальные сферические
Подшипник K7?10?8T2 (NTN)

Технические характеристики

Обозначение : K7?10?8T2

Производитель : NTN

Диаметр внутренний, мм : 7

Диаметр наружный, мм : 10

Технические данные из каталога производителя :

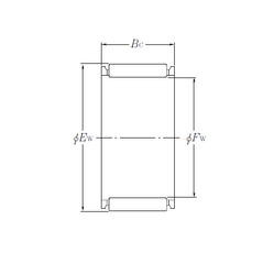
Внутренний диаметр (Fw) - 7 мм.

Наружный диаметр (Ew) - 10 мм.

Ширина внутренней обоймы (Bc) - 8 мм.

Масса - 0.0009 Кг

Грузоподъемность динамическая (C) - 2,67 кН

Грузоподъемность статическая (C0) - 2,35 кН

Частота вращения предельная при пластичной смазке - 23000 об/мин

Частота вращения предельная при жидкой смазке - 34000 об/мин

Количество дорожек качения - 1

Уплотнение - Нет

Цены указаны ознакомительные, для уточнения цены и наличия просим связаться с нами по телефону, или отправить заявку на почту - sales@specprompodshipnik.ru или по тел.: +7(499) 369-70-54

Возврат к списку