Подшипник K6X9X8TN (Timken)

Подшипники роликовые радиальные сферические
Подшипник K6X9X8TN (Timken)

Технические характеристики

Обозначение : K6X9X8TN

Производитель : Timken

Диаметр внутренний, мм : 6

Диаметр наружный, мм : 9

Технические данные из каталога производителя :

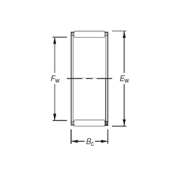
Внутренний диаметр (Fw) - 6 мм.

Наружный диаметр (Ew) - 9 мм.

Ширина внутренней обоймы (Bc) - 8 мм.

Масса - 0,001 Кг

Грузоподъемность динамическая (C) - 2,47 кН

Грузоподъемность статическая (C0) - 2,07 кН

Частота вращения предельная при пластичной смазке - 29000 об/мин

Частота вращения предельная при жидкой смазке - 44000 об/мин

Количество дорожек качения - 1

Уплотнение - Нет

Цены указаны ознакомительные, для уточнения цены и наличия просим связаться с нами по телефону, или отправить заявку на почту - sales@specprompodshipnik.ru или по тел.: +7(499) 369-70-54

Возврат к списку