Подшипник K68X82X38,5H (Timken)

Подшипники роликовые радиальные сферические
Подшипник K68X82X38,5H (Timken)

Технические характеристики

Обозначение : K68X82X38,5H

Производитель : Timken

Диаметр внутренний, мм : 68

Диаметр наружный, мм : 82

Технические данные из каталога производителя :

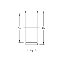
Внутренний диаметр (Fw) - 68 мм.

Наружный диаметр (Ew) - 82 мм.

Ширина внутренней обоймы (Bc) - 38,5 мм.

Масса - 0,32 Кг

Грузоподъемность динамическая (C) - 117 кН

Грузоподъемность статическая (C0) - 209 кН

Частота вращения предельная при пластичной смазке - 4200 об/мин

Частота вращения предельная при жидкой смазке - 6400 об/мин

Количество дорожек качения - 1

Уплотнение - Нет

Цены указаны ознакомительные, для уточнения цены и наличия просим связаться с нами по телефону, или отправить заявку на почту - sales@specprompodshipnik.ru или по тел.: +7(499) 369-70-54

Возврат к списку