Подшипник K68?74?35ZW (NTN)

Подшипники роликовые радиальные сферические
Подшипник K68?74?35ZW (NTN)

Технические характеристики

Обозначение : K68?74?35ZW

Производитель : NTN

Диаметр внутренний, мм : 68

Диаметр наружный, мм : 74

Технические данные из каталога производителя :

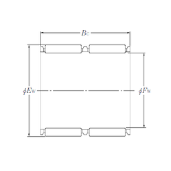
Внутренний диаметр (Fw) - 68 мм.

Наружный диаметр (Ew) - 74 мм.

Ширина внутренней обоймы (Bc) - 35 мм.

Масса - 0.116 Кг

Грузоподъемность динамическая (C) - 49,5 кН

Грузоподъемность статическая (C0) - 125 кН

Частота вращения предельная при пластичной смазке - 4000 об/мин

Частота вращения предельная при жидкой смазке - 6000 об/мин

Количество дорожек качения - 2

Уплотнение - Нет

Цены указаны ознакомительные, для уточнения цены и наличия просим связаться с нами по телефону, или отправить заявку на почту - sales@specprompodshipnik.ru или по тел.: +7(499) 369-70-54

Возврат к списку