Подшипник K65X73X23 (FBJ)

Подшипники роликовые радиальные сферические
Подшипник K65X73X23 (FBJ)

Технические характеристики

Обозначение : K65X73X23

Размеры, мм : 65x73x23

Производитель : FBJ

Диаметр внутренний, мм : 65

Диаметр наружный, мм : 73

Высота, мм : 23

Технические данные из каталога производителя :

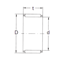
Внутренний диаметр (d) - 65 мм.

Наружный диаметр (D) - 73 мм.

Ширина рабочая (T) - 23 мм.

Масса - 0,1 Кг

Грузоподъемность динамическая (C) - 47 кН

Грузоподъемность статическая (C0) - 94 кН

Частота вращения предельная при пластичной смазке - 4000 об/мин

Частота вращения предельная при жидкой смазке - 6000 об/мин

Количество дорожек качения - 1

Уплотнение - Нет

Цены указаны ознакомительные, для уточнения цены и наличия просим связаться с нами по телефону, или отправить заявку на почту - sales@specprompodshipnik.ru или по тел.: +7(499) 369-70-54

Возврат к списку