Подшипник K63X71X20 (Timken)

Подшипники роликовые радиальные сферические
Подшипник K63X71X20 (Timken)

Технические характеристики

Обозначение : K63X71X20

Производитель : Timken

Диаметр внутренний, мм : 63

Диаметр наружный, мм : 71

Технические данные из каталога производителя :

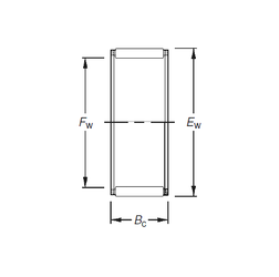
Внутренний диаметр (Fw) - 63 мм.

Наружный диаметр (Ew) - 71 мм.

Ширина внутренней обоймы (Bc) - 20 мм.

Масса - 0,07 Кг

Грузоподъемность динамическая (C) - 41,4 кН

Грузоподъемность статическая (C0) - 79,4 кН

Частота вращения предельная при пластичной смазке - 4400 об/мин

Частота вращения предельная при жидкой смазке - 6700 об/мин

Количество дорожек качения - 1

Уплотнение - Нет

Цены указаны ознакомительные, для уточнения цены и наличия просим связаться с нами по телефону, или отправить заявку на почту - sales@specprompodshipnik.ru или по тел.: +7(499) 369-70-54

Возврат к списку