Подшипник K61?66?20 (NTN)

Подшипники роликовые радиальные сферические
Подшипник K61?66?20 (NTN)

Технические характеристики

Обозначение : K61?66?20

Производитель : NTN

Диаметр внутренний, мм : 61

Диаметр наружный, мм : 66

Технические данные из каталога производителя :

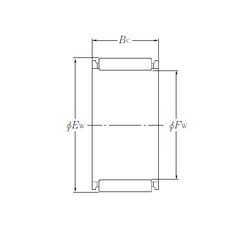
Внутренний диаметр (Fw) - 61 мм.

Наружный диаметр (Ew) - 66 мм.

Ширина внутренней обоймы (Bc) - 20 мм.

Масса - 0.054 Кг

Грузоподъемность динамическая (C) - 29,7 кН

Грузоподъемность статическая (C0) - 71,5 кН

Частота вращения предельная при пластичной смазке - 4300 об/мин

Частота вращения предельная при жидкой смазке - 6500 об/мин

Количество дорожек качения - 1

Уплотнение - Нет

Цены указаны ознакомительные, для уточнения цены и наличия просим связаться с нами по телефону, или отправить заявку на почту - sales@specprompodshipnik.ru или по тел.: +7(499) 369-70-54

Возврат к списку