Подшипник K60X65X30 (Timken)

Подшипники роликовые радиальные сферические
Подшипник K60X65X30 (Timken)

Технические характеристики

Обозначение : K60X65X30

Производитель : Timken

Диаметр внутренний, мм : 60

Диаметр наружный, мм : 65

Технические данные из каталога производителя :

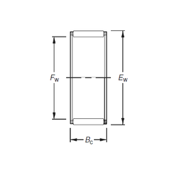
Внутренний диаметр (Fw) - 60 мм.

Наружный диаметр (Ew) - 65 мм.

Ширина внутренней обоймы (Bc) - 30 мм.

Масса - 0,07 Кг

Грузоподъемность динамическая (C) - 42,9 кН

Грузоподъемность статическая (C0) - 114 кН

Частота вращения предельная при пластичной смазке - 4500 об/мин

Частота вращения предельная при жидкой смазке - 6900 об/мин

Количество дорожек качения - 1

Уплотнение - Нет

Цены указаны ознакомительные, для уточнения цены и наличия просим связаться с нами по телефону, или отправить заявку на почту - sales@specprompodshipnik.ru или по тел.: +7(499) 369-70-54

Возврат к списку