Подшипник K55X63X32 (Timken)

Подшипники роликовые радиальные сферические
Подшипник K55X63X32 (Timken)

Технические характеристики

Обозначение : K55X63X32

Производитель : Timken

Диаметр внутренний, мм : 55

Диаметр наружный, мм : 63

Технические данные из каталога производителя :

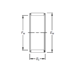
Внутренний диаметр (Fw) - 55 мм.

Наружный диаметр (Ew) - 63 мм.

Ширина внутренней обоймы (Bc) - 32 мм.

Масса - 0,108 Кг

Грузоподъемность динамическая (C) - 62,3 кН

Грузоподъемность статическая (C0) - 129 кН

Частота вращения предельная при пластичной смазке - 5000 об/мин

Частота вращения предельная при жидкой смазке - 7800 об/мин

Количество дорожек качения - 1

Уплотнение - Нет

Цены указаны ознакомительные, для уточнения цены и наличия просим связаться с нами по телефону, или отправить заявку на почту - sales@specprompodshipnik.ru или по тел.: +7(499) 369-70-54

Возврат к списку