Подшипник K55X63X25 (FBJ)

Подшипники роликовые радиальные сферические
Подшипник K55X63X25 (FBJ)

Технические характеристики

Обозначение : K55X63X25

Размеры, мм : 55x63x25

Производитель : FBJ

Диаметр внутренний, мм : 55

Диаметр наружный, мм : 63

Высота, мм : 25

Технические данные из каталога производителя :

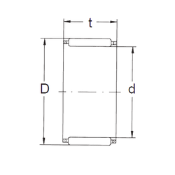
Внутренний диаметр (d) - 55 мм.

Наружный диаметр (D) - 63 мм.

Ширина рабочая (T) - 25 мм.

Масса - 0,088 Кг

Грузоподъемность динамическая (C) - 50,5 кН

Грузоподъемность статическая (C0) - 97,5 кН

Частота вращения предельная при пластичной смазке - 5000 об/мин

Частота вращения предельная при жидкой смазке - 7500 об/мин

Количество дорожек качения - 1

Уплотнение - Нет

Цены указаны ознакомительные, для уточнения цены и наличия просим связаться с нами по телефону, или отправить заявку на почту - sales@specprompodshipnik.ru или по тел.: +7(499) 369-70-54

Возврат к списку