Подшипник K55X60X30 (Timken)

Подшипники роликовые радиальные сферические
Подшипник K55X60X30 (Timken)

Технические характеристики

Обозначение : K55X60X30

Производитель : Timken

Диаметр внутренний, мм : 55

Диаметр наружный, мм : 60

Технические данные из каталога производителя :

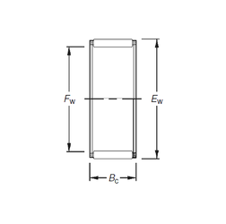
Внутренний диаметр (Fw) - 55 мм.

Наружный диаметр (Ew) - 60 мм.

Ширина внутренней обоймы (Bc) - 30 мм.

Масса - 0,066 Кг

Грузоподъемность динамическая (C) - 40,6 кН

Грузоподъемность статическая (C0) - 103 кН

Частота вращения предельная при пластичной смазке - 4900 об/мин

Частота вращения предельная при жидкой смазке - 7600 об/мин

Количество дорожек качения - 1

Уплотнение - Нет

Цены указаны ознакомительные, для уточнения цены и наличия просим связаться с нами по телефону, или отправить заявку на почту - sales@specprompodshipnik.ru или по тел.: +7(499) 369-70-54

Возврат к списку