Подшипник K50X62X30H,ZB2 (Timken)

Подшипники роликовые радиальные сферические
Подшипник K50X62X30H,ZB2 (Timken)

Технические характеристики

Обозначение : K50X62X30H,ZB2

Производитель : Timken

Диаметр внутренний, мм : 50

Диаметр наружный, мм : 62

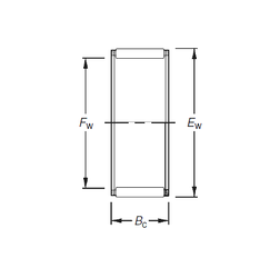
Технические данные из каталога производителя :

Внутренний диаметр (Fw) - 50 мм.

Наружный диаметр (Ew) - 62 мм.

Ширина внутренней обоймы (Bc) - 30 мм.

Масса - 0,136 Кг

Грузоподъемность динамическая (C) - 64,6 кН

Грузоподъемность статическая (C0) - 98,1 кН

Частота вращения предельная при пластичной смазке - 5800 об/мин

Частота вращения предельная при жидкой смазке - 8900 об/мин

Количество дорожек качения - 1

Уплотнение - Нет

Цены указаны ознакомительные, для уточнения цены и наличия просим связаться с нами по телефону, или отправить заявку на почту - sales@specprompodshipnik.ru или по тел.: +7(499) 369-70-54

Возврат к списку