Подшипник K50?55?30 (NTN)

Подшипники роликовые радиальные сферические
Подшипник K50?55?30 (NTN)

Технические характеристики

Обозначение : K50?55?30

Производитель : NTN

Диаметр внутренний, мм : 50

Диаметр наружный, мм : 55

Технические данные из каталога производителя :

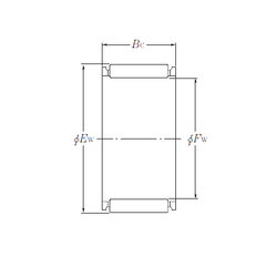
Внутренний диаметр (Fw) - 50 мм.

Наружный диаметр (Ew) - 55 мм.

Ширина внутренней обоймы (Bc) - 30 мм.

Масса - 0.059 Кг

Грузоподъемность динамическая (C) - 39,5 кН

Грузоподъемность статическая (C0) - 97 кН

Частота вращения предельная при пластичной смазке - 5500 об/мин

Частота вращения предельная при жидкой смазке - 8000 об/мин

Количество дорожек качения - 1

Уплотнение - Нет

Цены указаны ознакомительные, для уточнения цены и наличия просим связаться с нами по телефону, или отправить заявку на почту - sales@specprompodshipnik.ru или по тел.: +7(499) 369-70-54

Возврат к списку