Подшипник K4X7X7TN (Timken)

Подшипники роликовые радиальные сферические
Подшипник K4X7X7TN (Timken)

Технические характеристики

Обозначение : K4X7X7TN

Производитель : Timken

Диаметр внутренний, мм : 4

Диаметр наружный, мм : 7

Технические данные из каталога производителя :

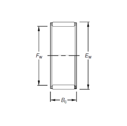
Внутренний диаметр (Fw) - 4 мм.

Наружный диаметр (Ew) - 7 мм.

Ширина внутренней обоймы (Bc) - 7 мм.

Масса - 0,0009 Кг

Грузоподъемность динамическая (C) - 1,83 кН

Грузоподъемность статическая (C0) - 1,32 кН

Частота вращения предельная при пластичной смазке - 34000 об/мин

Частота вращения предельная при жидкой смазке - 52000 об/мин

Количество дорожек качения - 1

Уплотнение - Нет

Цены указаны ознакомительные, для уточнения цены и наличия просим связаться с нами по телефону, или отправить заявку на почту - sales@specprompodshipnik.ru или по тел.: +7(499) 369-70-54

Возврат к списку