Подшипник K49X65X38H (Timken)

Подшипники роликовые радиальные сферические
Подшипник K49X65X38H (Timken)

Технические характеристики

Обозначение : K49X65X38H

Производитель : Timken

Диаметр внутренний, мм : 49

Диаметр наружный, мм : 65

Технические данные из каталога производителя :

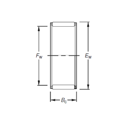
Внутренний диаметр (Fw) - 49 мм.

Наружный диаметр (Ew) - 65 мм.

Ширина внутренней обоймы (Bc) - 38 мм.

Масса - 0,244 Кг

Грузоподъемность динамическая (C) - 100 кН

Грузоподъемность статическая (C0) - 142 кН

Частота вращения предельная при пластичной смазке - 6100 об/мин

Частота вращения предельная при жидкой смазке - 9300 об/мин

Количество дорожек качения - 1

Уплотнение - Нет

Цены указаны ознакомительные, для уточнения цены и наличия просим связаться с нами по телефону, или отправить заявку на почту - sales@specprompodshipnik.ru или по тел.: +7(499) 369-70-54

Возврат к списку