Подшипник K47X55X28FV1 (Timken)

Подшипники роликовые радиальные сферические
Подшипник K47X55X28FV1 (Timken)

Технические характеристики

Обозначение : K47X55X28FV1

Производитель : Timken

Диаметр внутренний, мм : 47

Диаметр наружный, мм : 55

Технические данные из каталога производителя :

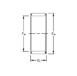
Внутренний диаметр (Fw) - 47 мм.

Наружный диаметр (Ew) - 55 мм.

Ширина внутренней обоймы (Bc) - 28 мм.

Масса - 0,092 Кг

Грузоподъемность динамическая (C) - 48,9 кН

Грузоподъемность статическая (C0) - 89,5 кН

Частота вращения предельная при пластичной смазке - 6000 об/мин

Частота вращения предельная при жидкой смазке - 9200 об/мин

Количество дорожек качения - 1

Уплотнение - Нет

Цены указаны ознакомительные, для уточнения цены и наличия просим связаться с нами по телефону, или отправить заявку на почту - sales@specprompodshipnik.ru или по тел.: +7(499) 369-70-54

Возврат к списку