Подшипник K47X52X15FH (Timken)

Подшипники роликовые радиальные сферические
Подшипник K47X52X15FH (Timken)

Технические характеристики

Обозначение : K47X52X15FH

Производитель : Timken

Диаметр внутренний, мм : 47

Диаметр наружный, мм : 52

Технические данные из каталога производителя :

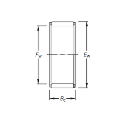
Внутренний диаметр (Fw) - 47 мм.

Наружный диаметр (Ew) - 52 мм.

Ширина внутренней обоймы (Bc) - 15 мм.

Масса - 0,03 Кг

Грузоподъемность динамическая (C) - 20,1 кН

Грузоподъемность статическая (C0) - 39,8 кН

Частота вращения предельная при пластичной смазке - 5800 об/мин

Частота вращения предельная при жидкой смазке - 8900 об/мин

Количество дорожек качения - 1

Уплотнение - Нет

Цены указаны ознакомительные, для уточнения цены и наличия просим связаться с нами по телефону, или отправить заявку на почту - sales@specprompodshipnik.ru или по тел.: +7(499) 369-70-54

Возврат к списку