Подшипник K45X55X20H (Timken)

Подшипники роликовые радиальные сферические
Подшипник K45X55X20H (Timken)

Технические характеристики

Обозначение : K45X55X20H

Производитель : Timken

Диаметр внутренний, мм : 45

Диаметр наружный, мм : 55

Технические данные из каталога производителя :

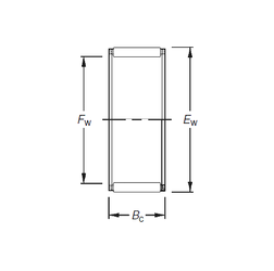
Внутренний диаметр (Fw) - 45 мм.

Наружный диаметр (Ew) - 55 мм.

Ширина внутренней обоймы (Bc) - 20 мм.

Масса - 0,074 Кг

Грузоподъемность динамическая (C) - 42 кН

Грузоподъемность статическая (C0) - 62,2 кН

Частота вращения предельная при пластичной смазке - 6400 об/мин

Частота вращения предельная при жидкой смазке - 9800 об/мин

Количество дорожек качения - 1

Уплотнение - Нет

Цены указаны ознакомительные, для уточнения цены и наличия просим связаться с нами по телефону, или отправить заявку на почту - sales@specprompodshipnik.ru или по тел.: +7(499) 369-70-54

Возврат к списку